Hệ thống cấp phôi tự động cho máy CNC
Quick Load Servo 80+ là bộ cấp phôi dạng thanh theo chiều dài trục chính, thiết kế nhỏ gọn và chắc chắn, với nhiều tính năng giúp tăng tốc độ, năng suất và tính linh hoạt trong việc cấp phôi và nạp phôi tự động cho các lô sản xuất nhỏ và trung bình.
Thiết bị nổi bật với khả năng khởi động nhanh, thay đổi đường kính phôi nhanh chóng, độ tin cậy đã được kiểm chứng thực tế, cùng độ an toàn và độ chính xác cao nhờ hệ thống định vị phôi bằng động cơ servo.
ĐẶC ĐIỂM
Năng suất tối đa
|
|
|
|
|
|
Dung lượng lớn cho thời gian chạy máy dài hơn

Quick Load Servo 80+ được trang bị khay chứa phôi dài 26” (650 mm) để xếp sẵn thanh vật liệu cho chế độ vận hành không cần người giám sát (tải tối đa tới 970 pounds ~ 440 kg), cùng cửa trong suốt giúp quan sát lượng vật liệu còn lại.
Khay chứa có thể điều chỉnh linh hoạt để tối ưu cho nhiều dạng phôi (lục giác, vuông, v.v.), đồng thời tích hợp công tắc an toàn giúp nạp phôi an toàn.
Có thể nạp phôi từ phía trước hoặc phía sau, tối ưu không gian mặt bằng khi sử dụng khay cấp phôi tự động.
Sức chứa tham khảo:
108 thanh Ø 6 mm
8 thanh Ø 80 mm
6 thanh Ø 100 mm
Giảm thiểu thời gian dừng máy bảo trì

Việc thay ống lót trục chính (spindle liner) và bảo trì định kỳ trên máy tiện cần được thực hiện nhanh chóng, hiệu quả để đưa dây chuyền sản xuất trở lại hoạt động với mức gián đoạn thấp nhất.
Hệ thống rút trục Z hoặc X tiêu chuẩn có thể dễ dàng mở khóa và cố định vị trí bằng bàn đạp chân. Cấu hình rút theo trục Z hoặc X có thể được lựa chọn ngay từ khi lắp đặt thiết bị.
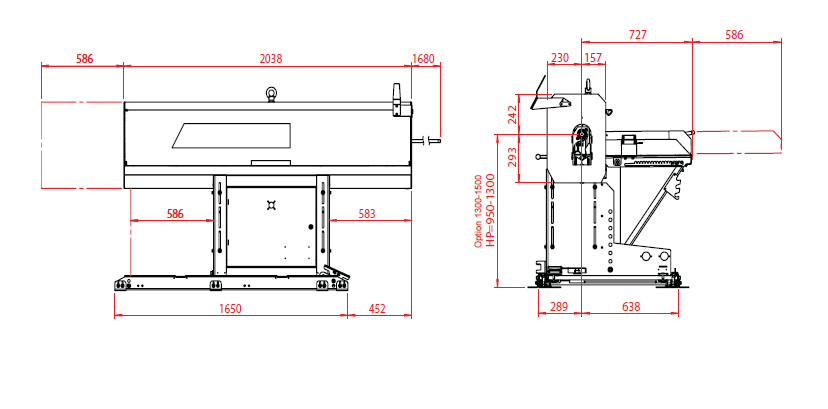
THÔNG SỐ KỸ THUẬT
| Capacity | Changeovers | ||
| Diameter | 1/4" to 3-1/8" (6mm-80mm) | Partial Changeover |
15 seconds or less |
| Bar Length | 11" to 63" (300mm - 1600 mm) not to exceed overall length of spindle |
Complete Changeover |
1 minute or less |
| Loading System | Gravity magazine | Driving Systems and Bar Support | |
| Loading Capacity | 26" (650mm) | Motor | Servo |
| Loading | Front / Rear | Drive | Notched Belt |
| Shipping Weight | 1,300 lbs. | Other | |
| Applications | Parts Library | 500 Parts program Storage | |
| Type of Headstock | Fixed | ||
| X or Z Axis Retraction | 23" (600mm) | ||
