Đăng Nhập
Đăng Ký
Đăng ký nhận bản tin của chúng tôi và là người đầu tiên biết về phiếu giảm giá và chương trình khuyến mãi đặc biệt


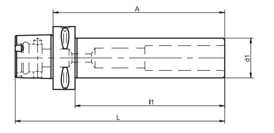
| PSK | d1 (mm) | A (mm) | l1 (mm) | L (mm) | kg |
| 32 | 25 | 175 | 160 | 194 | 0.8 |
| 40 | 25 | 180 | 160 | 204 | 0.9 |
| 50 | 32 | 235 | 215 | 265 | 1.4 |
| 63 | 40 | 322 | 300 | 360 | 2.8 |
| 80 | 40 | 330 | 300 | 300 | 3.8 |