Đăng Nhập
Đăng Ký
Đăng ký nhận bản tin của chúng tôi và là người đầu tiên biết về phiếu giảm giá và chương trình khuyến mãi đặc biệt


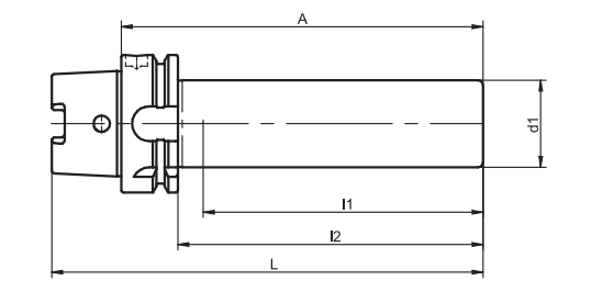
| HSK-A | d1 (mm) | A (mm) | l1 (mm) | l2 (mm) | L (mm) | kg |
| 32 | 25 | 176 | 150 | 160 | 192 | 1.4 |
| 40 | 25 | 180 | 150 | 160 | 200 | 1.7 |
| 50 | 32 | 236 | 200 | 210 | 261 | 2.1 |
| 63 | 40 | 346 | 300 | 320 | 278 | 2.8 |
| 80 | 40 | 346 | 300 | 30 | 286 | 3.1 |
| 100 | 40 | 349 | 300 | 320 | 39 | 3.5 |
| 125 | 40 | 349 | 300 | 320 | 412 | 4.0 |
| 160 | 40 | 400 | 320 | 369 | 480 | 4.5 |